O spårrulle
Cat:O spårrulle
Typ Rullstorlek Rullbredd Rullmaterial Axeldi...
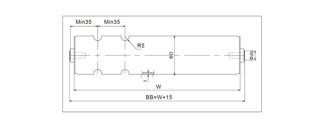
O Groove Rollers används allmänt i lätta, höghastighetstransporttillämpningar som e-handel och logistiksorteringssystem. De är kostnadseffektiva, låga brus och väl lämpade för höghastighetsdrift, vanligtvis i 38 mm och 50 mm diametrar med ett spårdjup på 5-6mm.
Varför underhåll av rullbanor direkt påverkar systemets livslängd Rullbana Syst...
Läs merVad gör en rullbana riktigt tung? En tung rullbana definieras inte av marknadsföringspås...
Läs merVad är rullbanor och varför spelar typen någon roll? Rullbanor är materialhante...
Läs merVarför rullbanor förblir ryggraden i materialhantering Rullbanor förbättra effe...
Läs merTransportörsystem flytta miljontals ton material varje dag över fabriker, lager, gruv...
Läs merAtt föra hantverk till framtiden.
No.60, Zhenhu North Road, Hudai Town, Binhu District , Wuxi 214100, Kina
+86 139-2153-1116
+86-510-8558 1519/8558 1530
+86-510-8558 1520







