Single Row Soprocket Drive Roller
Cat:Kedjehjulsrulle
Typ Rullstorlek Rullbredd Rullmaterial Lager ...
Spacket Drive Rollers kan vara enstaka eller dubbla kedjehjulskonfigurationer. Double Soprocket Drive Rollers är vanligare och erbjuder olika belastningskapaciteter baserade på rulldiameter, väggtjocklek och kedjehjulsspecifikationer, med kompatibilitet för europeiska, amerikanska och nationella standardkamrater.

Typ Rullstorlek Rullbredd Rullmaterial Lager ...
| Typ | Rullstorlek | Rullbredd | Rullmaterial | Lager | Enxeldiameter | Foderstorlek | Kedjack | d | d2 | A | B | W1 | Bb |
| KR-384010S | 38,1 × 2,3 | 100 ~ 800 | Stkm | 6001zz · 6201Z | 12.0 | 18 × 12,2 × 26 | #40 × 10ts | 46 | 41.1 | 12 | 14 | W-1 | W 28 |
| KR-424010S | 42,7 × 2,3 | 100 ~ 800 | Stkm | 6001zz · 6201Z | 12.0 | 18x12.2 × 26 | #40 × 10ts | 46 | 41.1 | 12 | 14 | W | W 28 |
| KR-484010S | 48,6 × 3,5 | 100 ~ 800 | SGP40A | 6001zz · 6201Z | 12.0 | 18 × 12,2 × 26 | #40 × 10ts | 46 | 41.1 | 12 | 11 | W 5 | W 28 |
| KR-504010S | 50,8 × 1,6 | 100 ~ 800 | Stkm | 6001zz · 6201Z | 12.0 | 18 × 12,2 × 26 | #40 × 10ts | 46 | 41.1 | 12 | 13 | W-1 | W 28 |
| KR-574010S | 57,1 × 2,1 | 100 ~ 1000 | Stkm | 6001zz · 6201Z | 12.0 | 18 × 12,2 × 26 | #40 × 10ts | 46 | 41.1 | 12 | 13 | W | W 28 |
| KR-604010S | 60,5 × 2,3 | 100 ~ 1000 | Stkm | 6001zz · 6201Z | 12.0 | 18 × 12,2 × 26 | #40 × 10ts | 46 | 41.1 | 12 | 13 | W | W 28 |
| KR-605011S | 60,5 × 3. | 100 ~ 1000 | Sgp50a | 6002zz | 15.0 | 21 × 15,2 × 41,5 · 21 × 15,2 × 12 | #50 × 11ts | 63 | 56.35 | 20 | 18 | W 3 | W 48 |
| KR-765011S | 76,3 × 4.2 | 100 ~ 1000 | Sgp65a | 6002zz | 15.0 | 21 × 15,2 × 41,5 · 21 × 152 × 12 | #50 × 11ts | 63 | 56.35 | 20 | 18 | W 2 | W 48 |
| KR-605013S | 60,5 × 3,8 | 100 ~ 1000 | Sgp50a | 6004zz | 20.0 | 29 × 20,2 × 38,5 · 29 × 20,2 × 15 | #50 × 13ts | 73 | 66.34 | 20 | 18 | W 1 | W 48 |
| KR-765013S | 76,3 × 4.2 | 100 ~ 1000 | Sgp65a | 6004zz | 20.0 | 29x20.2x38.5 · 29 × 20.2 × 15 | #50 × 13ts | 73 | 66.34 | 20 | 18 | W 2 | W 48 |
| KR-895013S | 89.1 × 4.2 | 100 ~ 1000 | Sgp80a | 6004zz | 20.0 | 29 × 20,2x38,5 · 29 × 202x15 | #50 × 13ts | 73 | 66.34 | 20 | 18 | W | W 48 |
| KR-1146014S | 114,3 × 4,5 | 300 ~ 2000 | SGP100A | 6205zz | 25.0 | 35 × 26 × 19 · 35 × 26 × 21 | #60 × 14TS | 93 | 85.61 | 20 | 23 | W | W 58 |
| KR-1406016S | 139,8 × 4,5 | 300 ~ 2000 | SGP125A | 6206zz | 30.0 | 38 × 31,1 × 19 · 38 × 31,1 × 21 | #60 × 16TS | 107 | 97.65 | 20 | 23 | W | W 58 |

Typ Rullstorlek Rullbredd Rullmaterial Lager ...
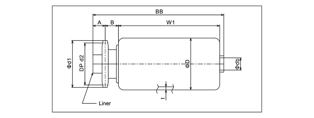
| Typ | Rullstorlek | Rullbredd | Rullmaterial | Lager | Enxeldiameter | Foderstorlek | Kedjack | d1 | d2 | A | B | C | W1 | Bb |
| KR-384010SW | 38,1 × 2,3 | 100 ~ 800 | Stkm | 6001zz · 6201Z | 12.0 | 18 × 12,2 × 53 | #40 × 10tsw | 46 | 41.1 | 12 | 23 | 18 | W-1 | W 58 |
| KR-424010SW | 42,7 × 2,3 | 100 ~ 800 | Stkm | 6001zz · 6201Z | 12.0 | 18 × 12,2 × 53 | #40 × 10tsw | 46 | 41.1 | 12 | 23 | 18 | W | W 58 |
| KR-484010SW | 48,6 × 3,5 | 100 ~ 800 | SGP40A | 6001zz · 6201Z | 12.0 | 18 × 12,2 × 53 | #40 × 10tsw | 46 | 41.1 | 12 | 23 | 15 | W 5 | W 58 |
| KR-504010SW | 50,8 × 1,6 | 100 ~ 800 | Stkm | 6001zz · 6201Z | 12.0 | 18 × 12,2 × 53 | #40x10tsw | 46 | 41.1 | 12 | 23 | 18 | W-1 | W 58 |
| KR-574010SW | 57,1 × 2,1 | 100 ~ 1000 | Stkm | 6001zz · 6201Z | 12.0 | 18 × 12,2 × 53 | #40 × 10tsw | 46 | 41.1 | 12 | 23 | 18 | W | W 58 |
| KR-604010SW | 60,5 × 2,3 | 100 ~ 1000 | Stkm | 6001zz · 6201Z | 12.0 | 18 × 12,2 × 53 | #40 × 10tsw | 46 | 41.1 | 12 | 23 | 18 | W | W 58 |
| KR-605011SW | 60,5 × 3,8 | 100 ~ 1000 | Sgp50a | 6002zz | 15.0 | 21x15.2 × 66,5 · 21 × 15,2x12 | #50 × 11tsw | 63 | 56.35 | 20 | 25 | 18 | W 3 | W 7 |
| KR-765011SW | 76,3 × 4.2 | 100 ~ 1000 | Sgp65a | 6002zz | 15.0 | 21 × 15,2 × 66,5 · 21 × 15,2 × 12 | #50 × 11tsw | 63 | 56.35 | 20 | 25 | 18 | W 2 | W 73 |
| KR-605013SW | 60,5 × 3,8 | 100 ~ 1000 | Sgp50a | 6004zz | 20.0 | 29 × 20,2 × 63,5 · 29 × 20,2 × 15 | #50 × 13TSW | 73 | 66.34 | 20 | 25 | 18 | W 1 | W 73 |
| KR-765013SW | 76,3 × 4.2 | 100 ~ 1000 | Sgp65a | 600422 | 20.0 | 29 × 20,2 × 63,5 · 29 × 20,2x15 | #50 × 13TSW | 73 | 66.34 | 20 | 25 | 18 | W 2 | W 73 |
| KR-895013SW | 89.1 × 4.2 | 100 ~ 1000 | Sgp80a | 6004zz | 20.0 | 29 × 20,2 × 63,5 · 29 × 20,2 × 15 | #50 × 13TSW | 73 | 66.34 | 20 | 25 | 18 | W | W 73 |

Typ Rullstorlek Rullbredd Rullmatenal Bearng ...
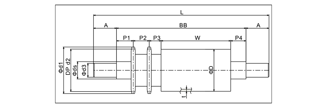
| Typ | Rullstorlek | Rullbredd | Rullmatenal | Bearng | Enxeldiameter | Kedjack | d1 | d2 | d3 | A | L | Bb | P1 | P2 | P3 | P4 |
| KPR-574015SW | 57,2 × 2,6 | 300 ~ 2000 | Stkm | UCPA204 | 25xw 152 | #40 × 15TSW | 67 | 61.08 | 20 | 33 | W 152 | W 86 | 24 | 23 | 17 | 22 |
| KPR-604015SW | 60,5 × 3,8 | 300 ~ 2000 | Stkm | UCPA204 | 25xw 152 | #40 × 15TSW | 67 | 61.08 | 20 | 33 | W 152 | W 86 | 24 | 23 | 17 | 22 |
| KPR-765013SW | 76,3 × 4.2 | 300 ~ 2000 | Sgp65a | UCPA204 | 25xw 163 | #50 × 13TSW | 73 | 66.34 | 20 | 33 | W 163 | W 97 | 32 | 25 | 18 | 22 |
| KPR-895013SW | 89.1 × 4.2 | 300 ~ 2000 | Sgp80a | UCPA206 | 35xw 169 | #50 × 13TSW | 73 | 66.34 | 30 | 39 | W 169 | W 91 | 29 | 25 | 18 | 19 |
| KPR-1015018SW | 101,6 × 4,5 | 300 ~ 2000 | Sgp90a | UCPA206 | 35xw 169 | #50 × 18TSW | 98 | 91.42 | 30 | 39 | W 169 | W 91 | 29 | 25 | 18 | 19 |
| KPR-1145018SW | 114,3 × 4,5 | 300 ~ 2000 | SGP100A | UCPA206 | 35xw 169 | #50 × 18TSW | 98 | 91.42 | 30 | 39 | W 169 | W 91 | 29 | 25 | 18 | 19 |
| KPR-1405018SW | 139,8 × 4,5 | 300 ~ 2000 | SGP125A | UCPA206 | 35xw 169 | #50 × 18TSW | 98 | 91.42 | 30 | 39 | W 169 | W 91 | 29 | 25 | 18 | 19 |
Varför underhåll av rullbanor direkt påverkar systemets livslängd Rullbana Syst...
Läs merVad gör en rullbana riktigt tung? En tung rullbana definieras inte av marknadsföringspås...
Läs merVad är rullbanor och varför spelar typen någon roll? Rullbanor är materialhante...
Läs merVarför rullbanor förblir ryggraden i materialhantering Rullbanor förbättra effe...
Läs merTransportörsystem flytta miljontals ton material varje dag över fabriker, lager, gruv...
Läs merAtt föra hantverk till framtiden.
No.60, Zhenhu North Road, Hudai Town, Binhu District , Wuxi 214100, Kina
+86 139-2153-1116
+86-510-8558 1519/8558 1530
+86-510-8558 1520







