W-26PS (inom)
Cat:Hjultransportör
Typ Rullstorlek D*w*d*b Axel Ramstorlek ...
Avancerad struktur, högkvalitativ prestocha, enkel att använda, hög tillförlitlighet och hållbarhet.

Typ Rullstorlek D*w*d*b Axel Ramstorlek ...
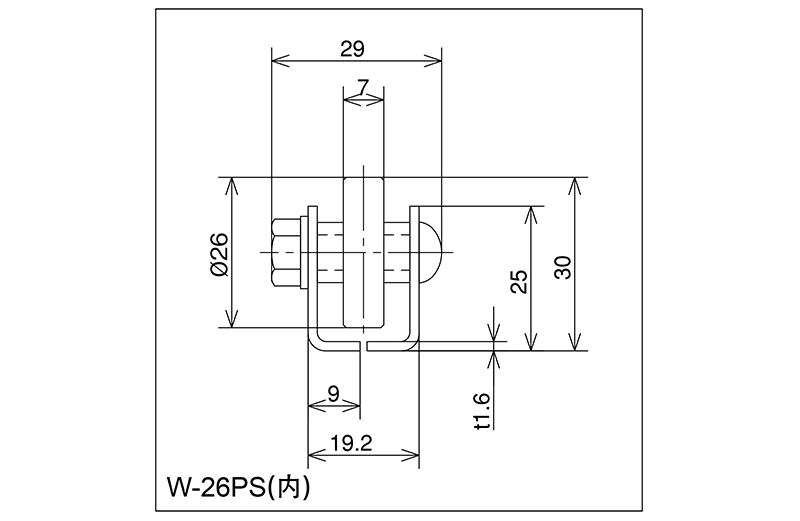
| Typ | Rullstorlek D*w*d*b | Axel | Ramstorlek h × w1 × w2 × w3 × t | Höjd H | Förlett L | Hjulplan P | Enkelhjulsbelastning (kg) | Rullmaterial |
| W-26PS (inom) | 26 × 8 × 6 × 16 | M6 × 25L | 25 × 19,2 × 9 × 29 × 1,6 | 30 | 1000 · 1500 · 2000 | 30 · 35 | 30 | POM |

Typ Rullstorlek D*w*d*b Axel Ramstorlek ...
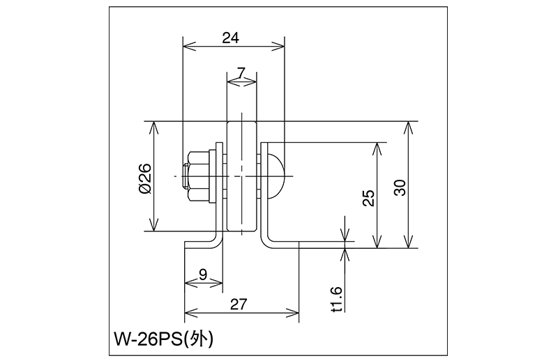
| Typ | Rullstorlek D*w*d*b | Axel | Ramstorlek h × w1 × w2 × w3 × t | Höjd H | Förlett L | Hjulplan P | Enkelhjulsbelastning (kg) | Rullmaterial |
| W-26PS (utanför) | 26 × 8 × 6 × 10 | M6 × 20L | 25 × 28 × 9 × 24 × 1,6 | 30 | 1000 · 1500 · 2000 | 30 · 35 | 30 | POM |

Typ Rullstorlek D*w*d*b Axel Ramstorlek ...
| Typ | Rullstorlek D*w*d*b | Axel | Ramstorlek h × w1 × w2 × w3 × t | Höjd H | Förlett L | Hjulplan P | Enkelhjulsbelastning (kg) | Rullmaterial |
| W-38GS | 38 × 12 × 6 × 27 | M6 × 38L | 45 × 32,6 × 10 × 42 × 2,3 | 52 | 1800 · 2400 · 3000 | 50 · 75 · 100 · 150 | 30 | POM |

Typ Rullstorlek D*w*d*b Axel Ramstorlek ...
| Typ | Rullstorlek D*w*d*b | Axel | Ramstorlek h × w1 × w2 × w3 × t | Höjd H | Förlett L | Hjulplan P | Enkelhjulsbelastning (kg) | Rullmaterial |
| WB-36PS | 36 × 9 × 8 × 28 | M8 × 40L | 42,3 × 60 × 32 × 45 × 1.6 2.3 | 49.3 | 1800 · 2400 · 3000 | 50 · 75 · 100 | 10 | POM |

Typ Rullstorlek D*w*d*b Axel Ramstorlek ...
| Typ | Rullstorlek D*w*d*b | Axel | Ramstorlek h × w1 × w2 × w3 × t | Höjd H | Förlett L | Hjulplan P | Enkelhjulsbelastning (kg) | Rullmaterial |
| SW-38GS | 38 × 12 × 6 × 27 | M6 × 38L | 45 × 31 × 8,5 × 42 × 1,8 | 53 | 1800 · 2400 · 3000 | 50 · 75 · 100 · 150 | 30 | POM |

Typ Rullstorlek D*w*d*b Axel Ramstorlek ...
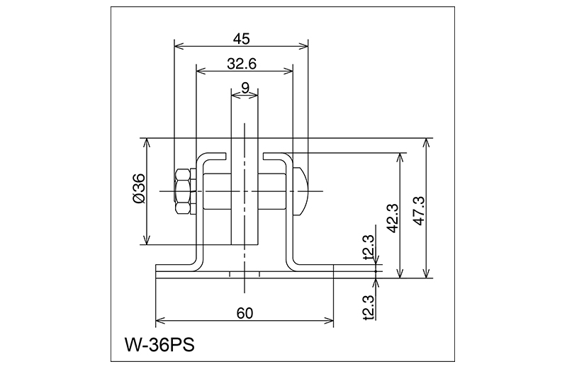
| Typ | Rullstorlek D*w*d*b | Axel | Ramstorlek h × w1 × w2 × w3 × t | Höjd H | Förlett L | Hjulplan P | Enkelhjulsbelastning (kg) | Rullmaterial |
| W-36PS | 36 × 9 × 8 × 28 | M8 × 40L | 42,3 × 60 × 32,6 × 45 × 2,3 | 47.3 | 1800 · 2400 · 3000 | 50 · 75 · 100 · 150 | 10 | POM |

Typ Rullstorlek D*w*d*b Axel Ramstorlek ...
| Typ | Rullstorlek D*w*d*b | Axel | Ramstorlek h × w1 × w2 × w3 × t | Höjd H | Förlett L | Hjulplan P | Enkelhjulsbelastning (kg) | Rullmaterial |
| W-36PW | 36 × 9 × 8 × 14 | M8 × 55L | 46,3 × 60 × 33 × 71 × 1.6 2.3 | 52.3 | 1800 · 2400 · 3000 | 50 · 75 · 100 · 150 | 10 | Pom |
| W-45UW | 45 × 16 × 8 × 22 | M8 × 65L | 46,3 × 60 × 33 × 87 × 1.6 2.3 | 56.8 | 1800 · 2400 · 3000 | 50 · 75 · 100 · 150 | 25 | ABS |

Typ Rullstorlek D*w*d*b Axel Ramstorlek ...
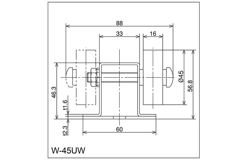
| Typ | Rullstorlek D*w*d*b | Axel | Ramstorlek h × w1 × w2 × w3 × t | Höjd H | Förlett L | Hjulplan P | Enkelhjulsbelastning (kg) | Rullmaterial |
| W-45UW | 45 × 16 × 8 × 22 | M8 × 65L | 46,3 × 60 × 33 × 87 × 1.6 2.3 | 56.8 | 1800 · 2400 · 3000 | 50 · 75 · 100 · 150 | 25 | ABS |
Varför underhåll av rullbanor direkt påverkar systemets livslängd Rullbana Syst...
Läs merVad gör en rullbana riktigt tung? En tung rullbana definieras inte av marknadsföringspås...
Läs merVad är rullbanor och varför spelar typen någon roll? Rullbanor är materialhante...
Läs merVarför rullbanor förblir ryggraden i materialhantering Rullbanor förbättra effe...
Läs merTransportörsystem flytta miljontals ton material varje dag över fabriker, lager, gruv...
Läs merAtt föra hantverk till framtiden.
No.60, Zhenhu North Road, Hudai Town, Binhu District , Wuxi 214100, Kina
+86 139-2153-1116
+86-510-8558 1519/8558 1530
+86-510-8558 1520







